|
仪器名称 |
气相色谱仪 |
自编号
|
HJ-004 |
|
生产厂家
|
上海天美科学仪器有限公司 |
出厂编号
|
6864121 |
|
型号
| GC7900 |
量程
|
/ |
|
购置日期
|
2014年4月1日 |
所有权
|
自有 |
|
检定单位
|
湖北省黄石市计量检定测试所 |
检定周期
|
24个月 |
|
最新检定日期
|
2024年3月27日 |
检校结果
|
合格 |
|
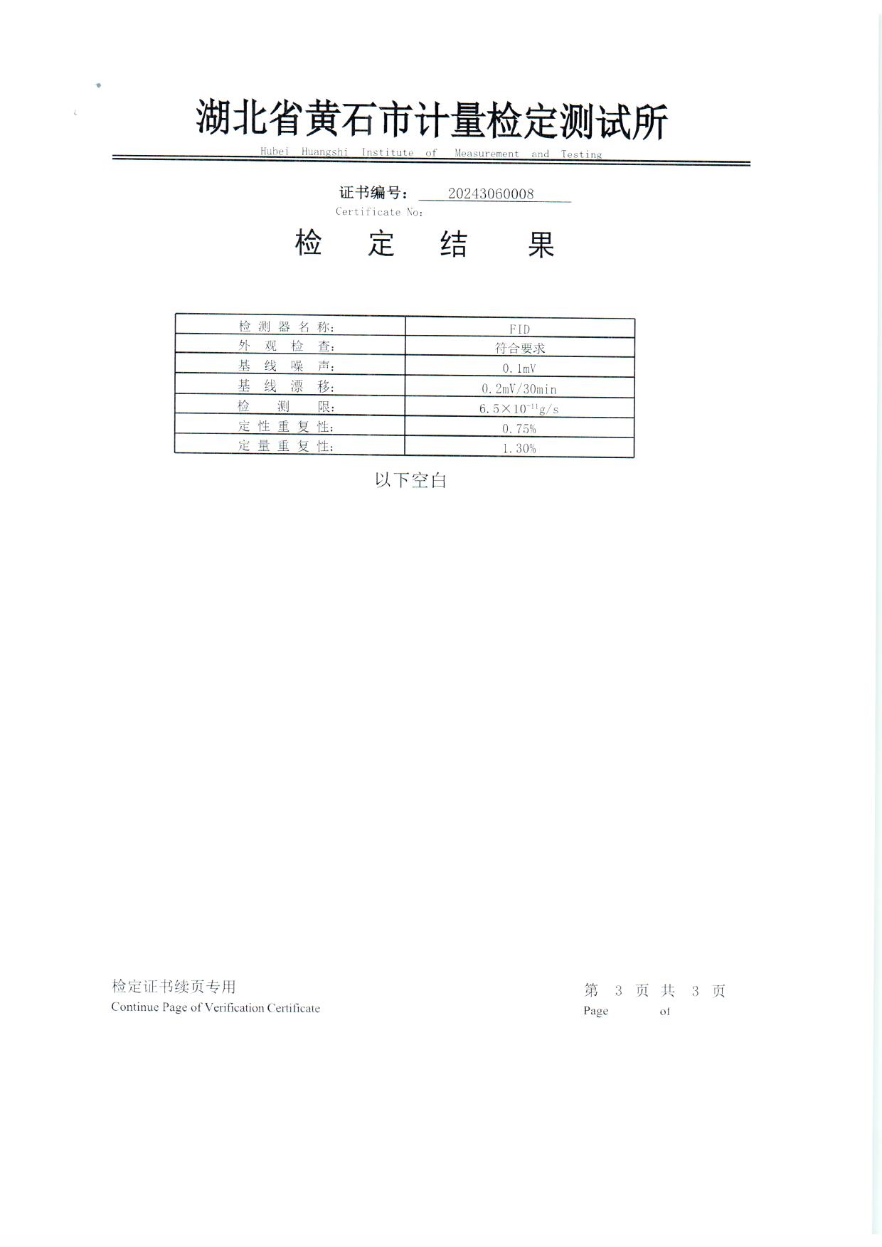
检定证书编号
|
20243060008 |
下次检定日期
|
2026年3月26日 |
|
存放位置
|
环检室 |
保管人
|
赵长军 |




计量标签粘贴处 |
设备名称:气相色谱仪 |
| 自编号 :HJ-004 | |
| 型号编号:GC7900 | |
| 生产厂家:上海天美科学仪器有限公司 | |
| 保管人 :赵长军 | |
| 修正说明: | |
©2008 All Rights Reserved. • Design by 汪建华