|
仪器名称 |
锚杆拉力计(停用) |
自编号
|
ZT-002 |
|
生产厂家
|
北京欧亚中兴科技有限公司 |
出厂编号
|
140502 |
|
型号
| ML-100B |
量程
|
/ |
|
购置日期
|
2014年4月1日 |
所有权
|
自有 |
|
检定单位
|
湖北省黄石市计量检定测试所 |
检定周期
|
12个月 |
|
最新检定日期
|
2023年4月3日 |
检校结果
|
合格 |
|
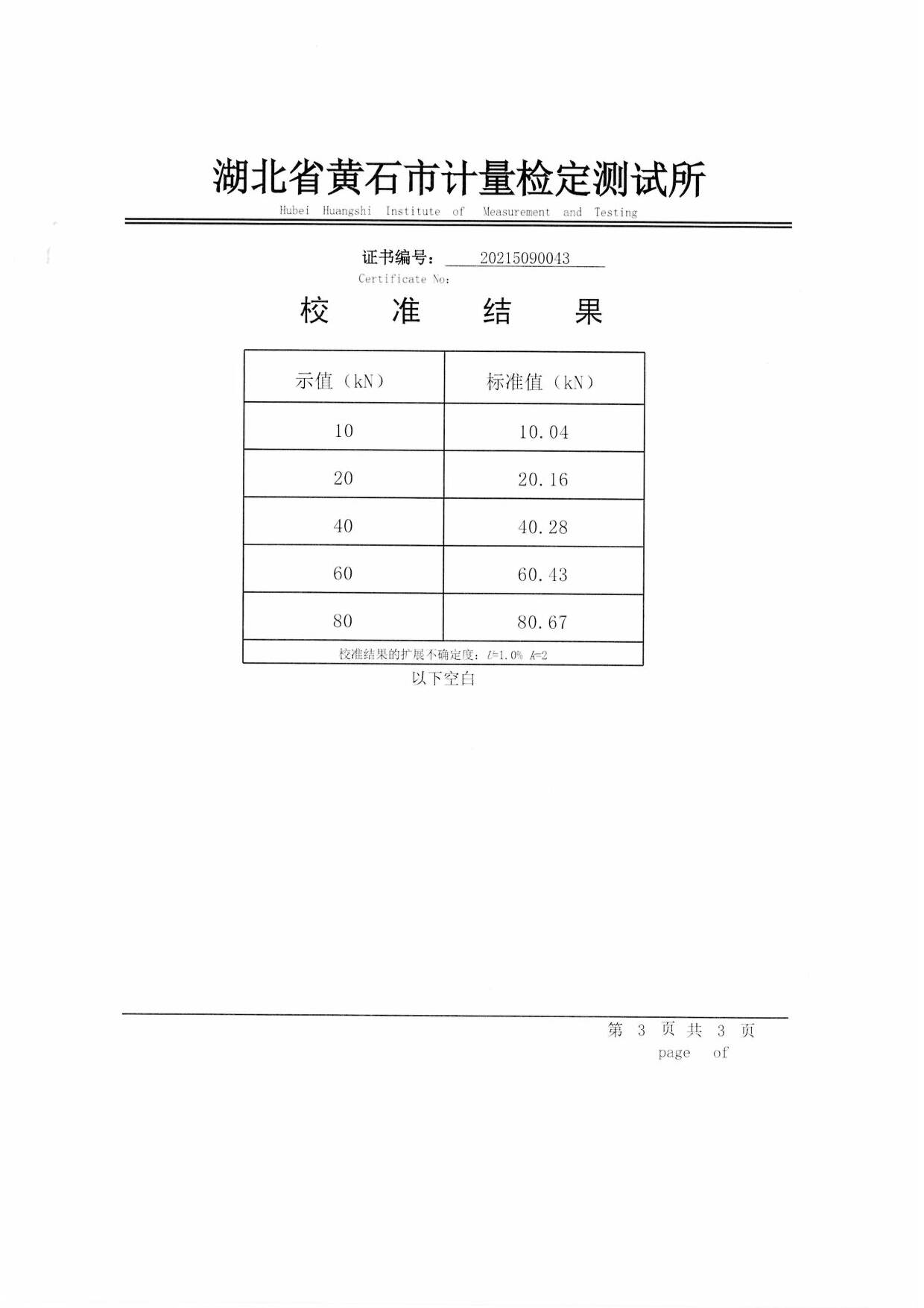
检定证书编号
|
20235090060 |
下次检定日期
|
2050年10月17日 |
|
存放位置
|
精密设备间 |
保管人
|
黄金石 |
![[Untitled]_1-92.jpg [Untitled]_1-92.jpg](ueditor/asp/upload/image/20230619/16871611177159178.jpg)
![[Untitled]_47-48.jpg [Untitled]_47-48.jpg](ueditor/asp/upload/image/20210618/16240059967842115.jpg)
![[Untitled]_48-48.jpg [Untitled]_48-48.jpg](ueditor/asp/upload/image/20210618/16240060079358641.jpg)
计量标签粘贴处 |
设备名称:锚杆拉力计(停用) |
| 自编号 :ZT-002 | |
| 型号编号:ML-100B | |
| 生产厂家:北京欧亚中兴科技有限公司 | |
| 保管人 :黄金石 | |
| 修正说明: | |
©2008 All Rights Reserved. • Design by 汪建华