|
仪器名称 |
混凝土碳化深度测量仪(停用) |
自编号
|
ZTY-012 |
|
生产厂家
|
山东省乐陵市回弹仪 |
出厂编号
|
1# |
|
型号
| HT-A |
量程
|
0-8mm |
|
购置日期
|
2014年4月1日 |
所有权
|
自有 |
|
检定单位
|
湖北省黄石市计量检定测试所 |
检定周期
|
12个月 |
|
最新检定日期
|
2023年3月1日 |
检校结果
|
合格 |
|
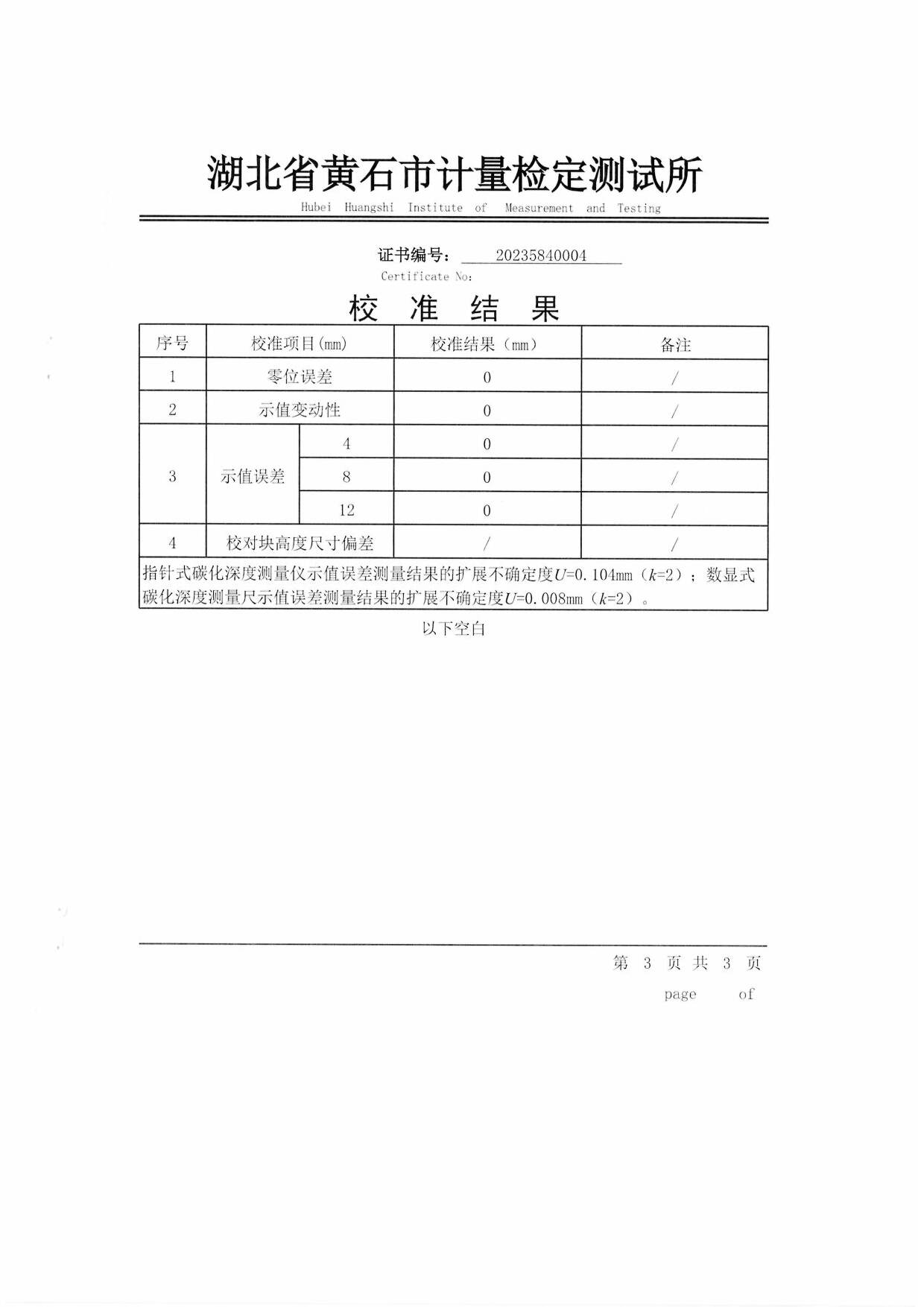
检定证书编号
|
20235840004 |
下次检定日期
|
2028年2月28日 |
|
存放位置
|
精密设备间 |
保管人
|
黄金石 |
![[Untitled]_4-6.jpg [Untitled]_4-6.jpg](ueditor/asp/upload/image/20230329/16800750286241270.jpg)
![[Untitled]_5-6.jpg [Untitled]_5-6.jpg](ueditor/asp/upload/image/20230329/16800750375743864.jpg)
![[Untitled]_6-6.jpg [Untitled]_6-6.jpg](ueditor/asp/upload/image/20230329/16800750457663038.jpg)
计量标签粘贴处 |
设备名称:混凝土碳化深度测量仪(停用) |
| 自编号 :ZTY-012 | |
| 型号编号:HT-A | |
| 生产厂家:山东省乐陵市回弹仪 | |
| 保管人 :黄金石 | |
| 修正说明: | |
©2008 All Rights Reserved. • Design by 汪建华