|
仪器名称 |
水泥胶砂搅拌机(T停用) |
自编号
|
SN-006 |
|
生产厂家
|
无锡市建鼎建工仪器厂 |
出厂编号
|
40095 |
|
型号
| JJ-5 |
量程
|
/ |
|
购置日期
|
2014年4月1日 |
所有权
|
自有 |
|
检定单位
|
湖北省黄石市计量检定测试所 |
检定周期
|
12个月 |
|
最新检定日期
|
2023年4月3日 |
检校结果
|
合格 |
|
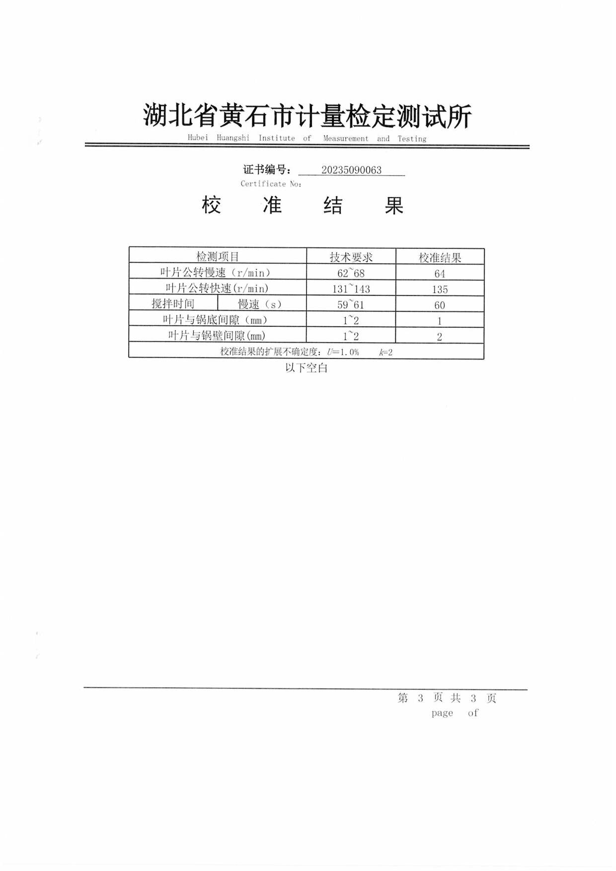
检定证书编号
|
20235090063 |
下次检定日期
|
2050年4月27日 |
|
存放位置
|
水泥室 |
保管人
|
叶珂 |

![[Untitled]_103-108.jpg [Untitled]_103-108.jpg](ueditor/asp/upload/image/20230509/16836217573015409.jpg)
![[Untitled]_104-108.jpg [Untitled]_104-108.jpg](ueditor/asp/upload/image/20230509/16836217684126127.jpg)
![[Untitled]_105-108.jpg [Untitled]_105-108.jpg](ueditor/asp/upload/image/20230509/16836217759136717.jpg)
计量标签粘贴处 |
设备名称:水泥胶砂搅拌机(T停用) |
| 自编号 :SN-006 | |
| 型号编号:JJ-5 | |
| 生产厂家:无锡市建鼎建工仪器厂 | |
| 保管人 :叶珂 | |
| 修正说明: | |
©2008 All Rights Reserved. • Design by 汪建华