|
仪器名称 |
回弹仪(停用) |
自编号
|
ZTY-018 |
|
生产厂家
|
山东省乐陵市回弹仪厂 |
出厂编号
|
0563 |
|
型号
| ZC3-A型 |
量程
|
0-100MPa |
|
购置日期
|
2021年11月1日 |
所有权
|
自有 |
|
检定单位
|
湖北省黄石市计量检定测试所 |
检定周期
|
6个月 |
|
最新检定日期
|
2023年3月24日 |
检校结果
|
合格 |
|
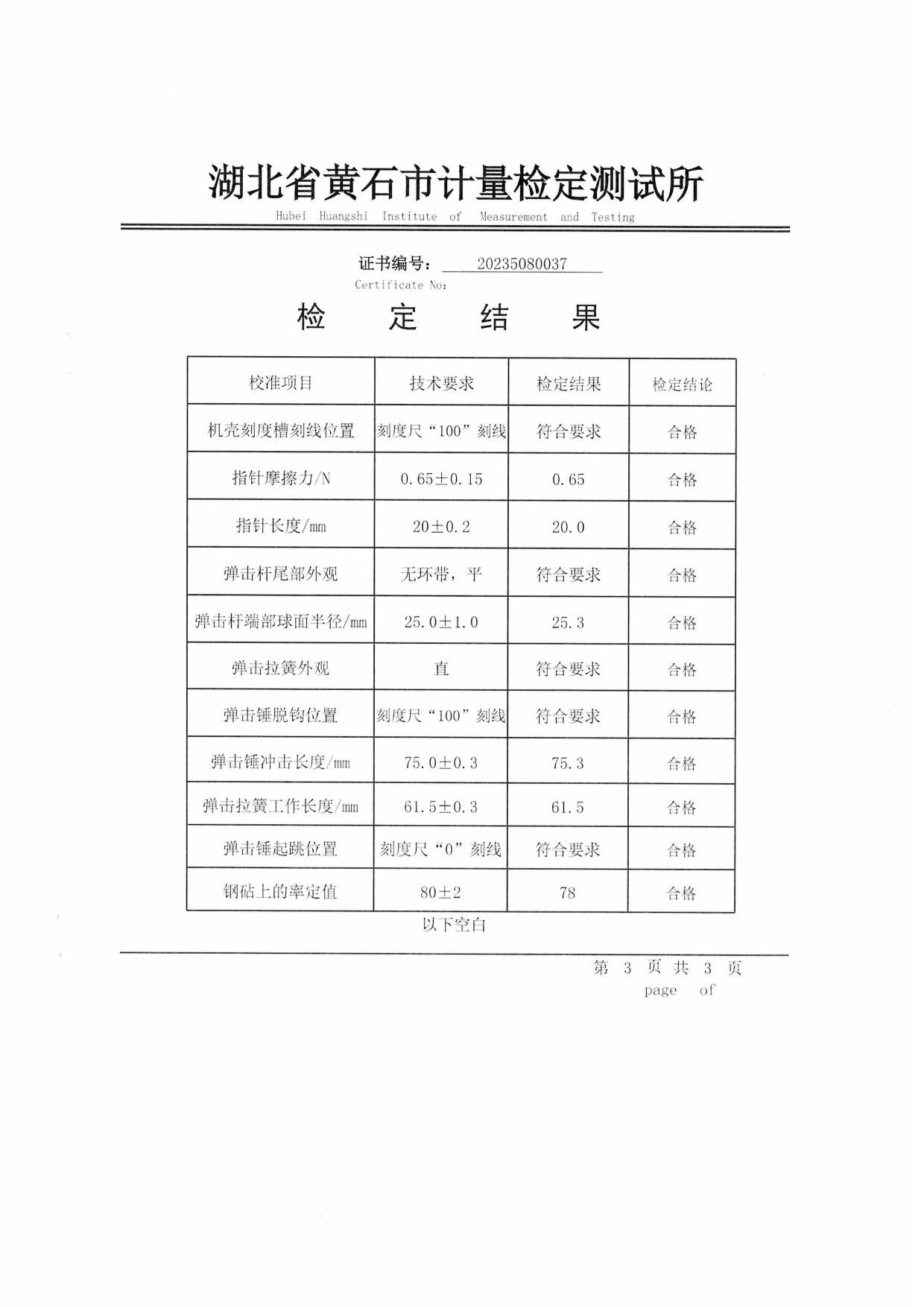
检定证书编号
|
20235080044 |
下次检定日期
|
2030年11月11日 |
|
存放位置
|
设备间 |
保管人
|
黄金石 |
![[Untitled]_7-38.jpg [Untitled]_7-38.jpg](ueditor/asp/upload/image/20230503/16831019167419828.jpg)
![[Untitled]_8-38.jpg [Untitled]_8-38.jpg](ueditor/asp/upload/image/20230503/16831019277694212.jpg)
![[Untitled]_9-38.jpg [Untitled]_9-38.jpg](ueditor/asp/upload/image/20230503/16831019376254728.jpg)
计量标签粘贴处 |
设备名称:回弹仪(停用) |
| 自编号 :ZTY-018 | |
| 型号编号:ZC3-A型 | |
| 生产厂家:山东省乐陵市回弹仪厂 | |
| 保管人 :黄金石 | |
| 修正说明: | |
©2008 All Rights Reserved. • Design by 汪建华