|
仪器名称 |
千斤顶(停用) |
自编号
|
ZJY-007 |
|
生产厂家
|
山东连胜液压机具 |
出厂编号
|
3# |
|
型号
| DYG500-200 |
量程
|
5000kN |
|
购置日期
|
2022年4月1日 |
所有权
|
自有 |
|
检定单位
|
湖北省黄石市计量检定测试所 |
检定周期
|
6个月 |
|
最新检定日期
|
2022年4月18日 |
检校结果
|
合格 |
|
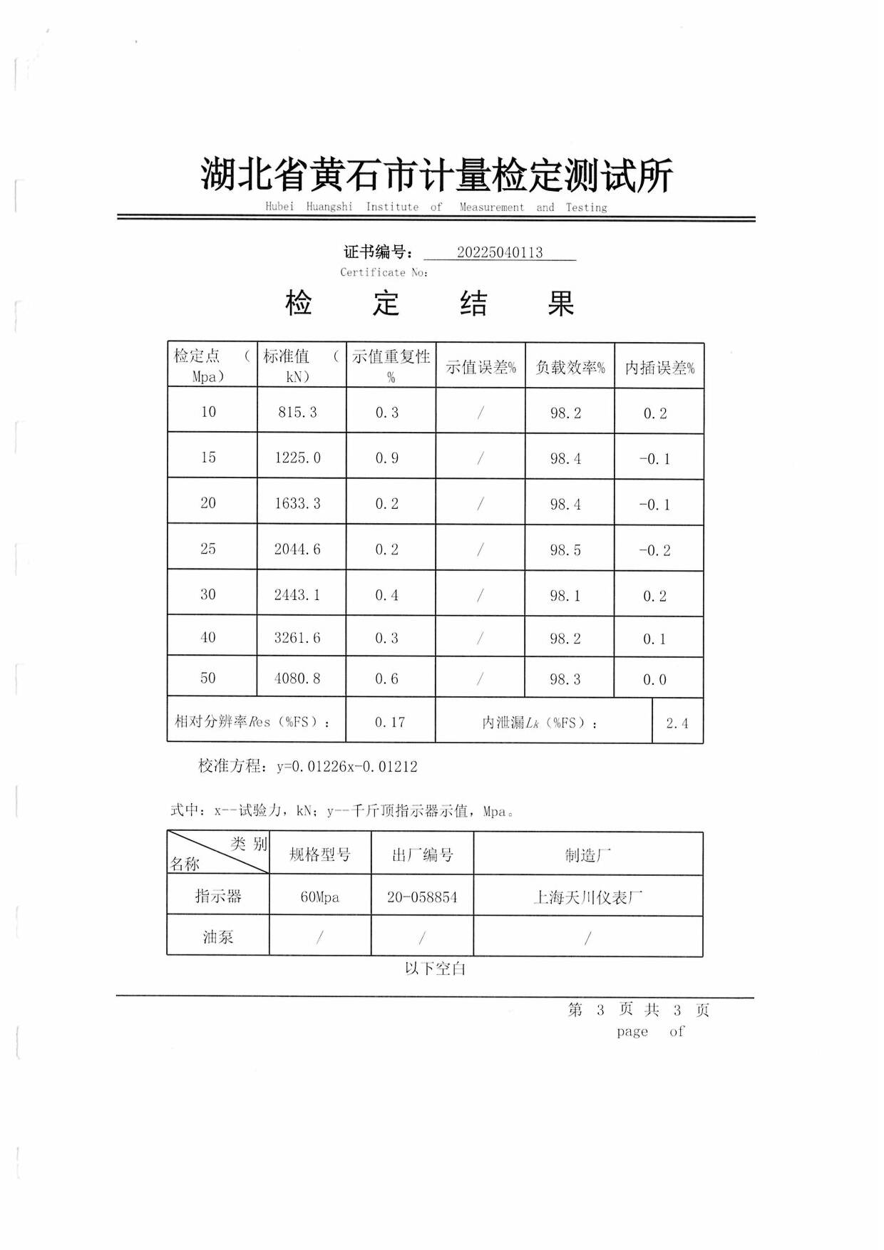
检定证书编号
|
20225040113 |
下次检定日期
|
2050年10月17日 |
|
存放位置
|
仓库 |
保管人
|
胡文涛 |
![[Untitled]_1-15.jpg [Untitled]_1-15.jpg](ueditor/asp/upload/image/20220815/16605320171040479.jpg)
![[Untitled]_2-15.jpg [Untitled]_2-15.jpg](ueditor/asp/upload/image/20220815/16605320251800184.jpg)
![[Untitled]_3-15.jpg [Untitled]_3-15.jpg](ueditor/asp/upload/image/20220815/16605320346081419.jpg)
计量标签粘贴处 |
设备名称:千斤顶(停用) |
| 自编号 :ZJY-007 | |
| 型号编号:DYG500-200 | |
| 生产厂家:山东连胜液压机具 | |
| 保管人 :胡文涛 | |
| 修正说明: | |
©2008 All Rights Reserved. • Design by 汪建华