|
仪器名称 |
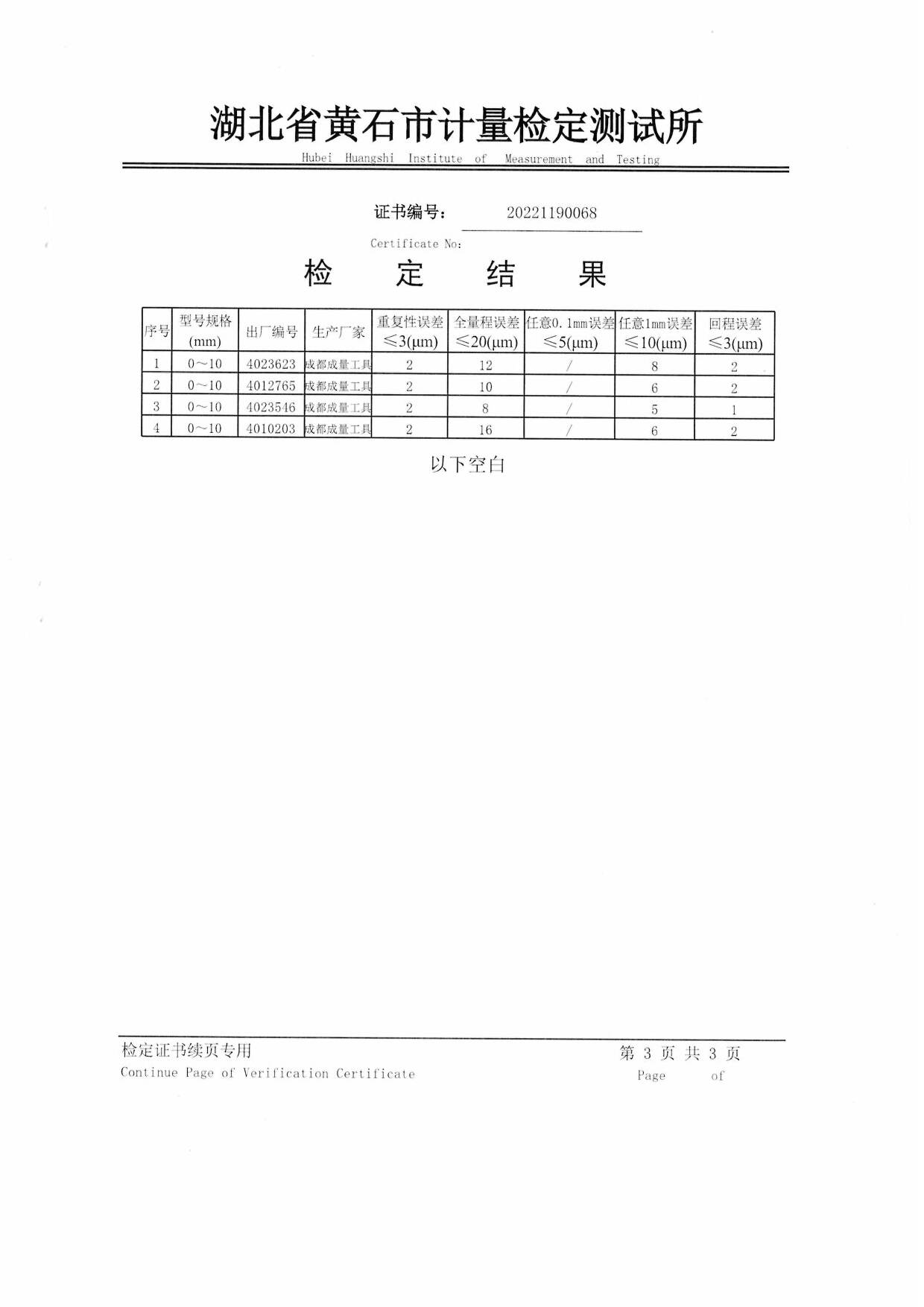
百分表(停用) |
自编号
|
TG-016 |
|
生产厂家
|
成量 |
出厂编号
|
4010203 |
|
型号
| 0-10mm |
量程
|
/ |
|
购置日期
|
2014年4月1日 |
所有权
|
自有 |
|
检定单位
|
湖北省黄石市计量检定测试所 |
检定周期
|
12个月 |
|
最新检定日期
|
2022年8月1日 |
检校结果
|
合格 |
|
检定证书编号
|
20221190068 |
下次检定日期
|
2050年3月27日 |
|
存放位置
|
精密设备间 |
保管人
|
黄超 |

![[Untitled]_4-20.jpg [Untitled]_4-20.jpg](ueditor/asp/upload/image/20220819/16608918076261595.jpg)
![[Untitled]_5-20.jpg [Untitled]_5-20.jpg](ueditor/asp/upload/image/20220819/16608918174475767.jpg)
![[Untitled]_6-20.jpg [Untitled]_6-20.jpg](ueditor/asp/upload/image/20220819/16608918245916761.jpg)
计量标签粘贴处 |
设备名称:百分表(停用) |
| 自编号 :TG-016 | |
| 型号编号:0-10mm | |
| 生产厂家:成量 | |
| 保管人 :黄超 | |
| 修正说明: | |
©2008 All Rights Reserved. • Design by 汪建华