|
仪器名称 |
防震指示表(百分表停用) |
自编号
|
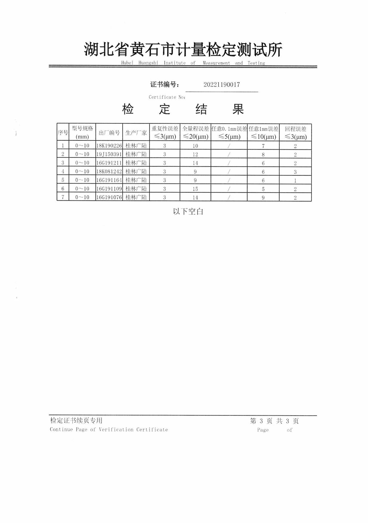
TG-021 |
|
生产厂家
|
/ |
出厂编号
|
16G191164 |
|
型号
| 0-10mm |
量程
|
/ |
|
购置日期
|
2014年4月1日 |
所有权
|
自有 |
|
检定单位
|
黄石计量所 |
检定周期
|
12个月 |
|
最新检定日期
|
2022年3月25日 |
检校结果
|
合格 |
|
检定证书编号
|
20221190017 |
下次检定日期
|
2050年3月24日 |
|
存放位置
|
精密设备间 |
保管人
|
黄超 |

![[Untitled]_13-32.jpg [Untitled]_13-32.jpg](ueditor/asp/upload/image/20220330/16486240296077024.jpg)
![[Untitled]_14-32.jpg [Untitled]_14-32.jpg](ueditor/asp/upload/image/20220330/16486240392173169.jpg)
![[Untitled]_15-32.jpg [Untitled]_15-32.jpg](ueditor/asp/upload/image/20220330/16486240526658613.jpg)
计量标签粘贴处 |
设备名称:防震指示表(百分表停用) |
| 自编号 :TG-021 | |
| 型号编号:0-10mm | |
| 生产厂家:/ | |
| 保管人 :黄超 | |
| 修正说明: | |
©2008 All Rights Reserved. • Design by 汪建华